Description
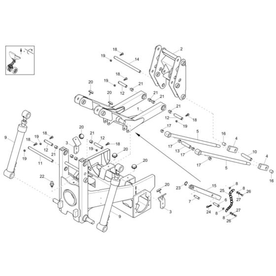
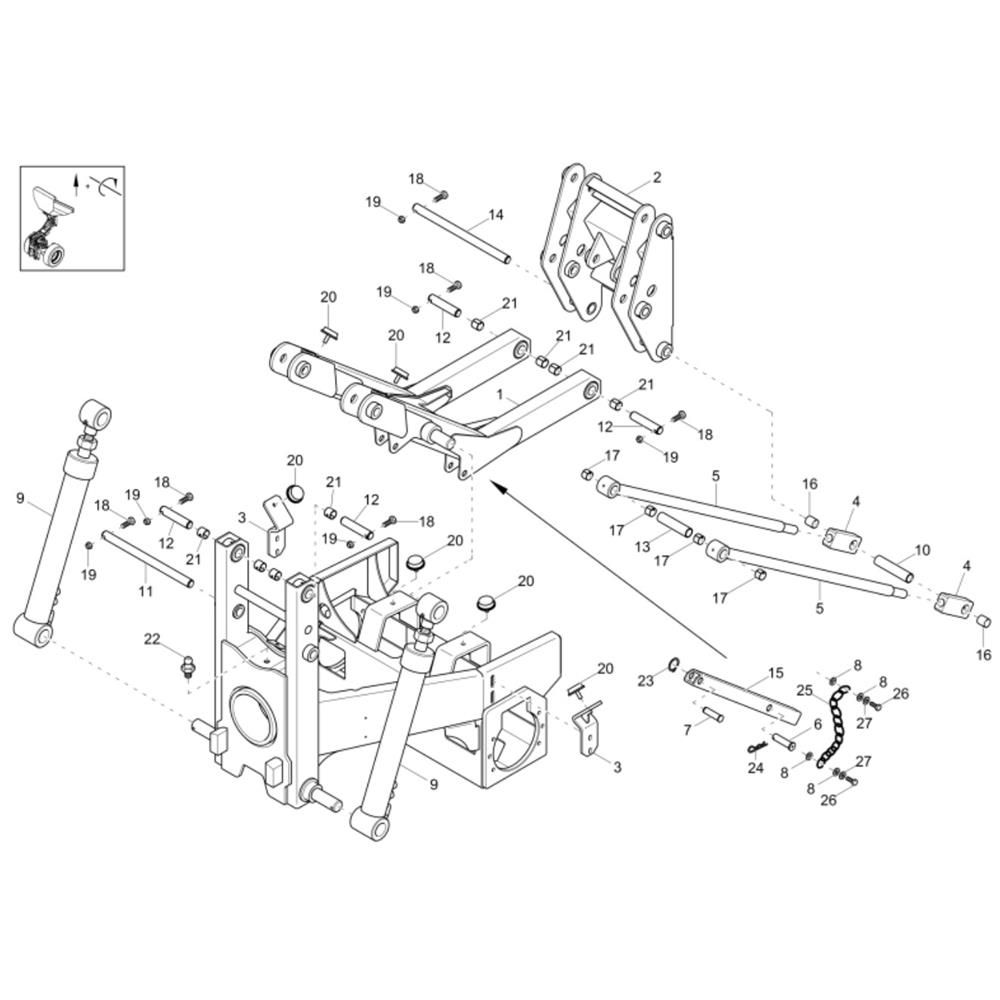
The Front Frame Assembly for the Wacker 1601 Dumper is essential for maintaining the structural integrity and functionality of the machine. This assembly includes key components such as brackets, mounts, and fasteners, ensuring the dumper operates efficiently. Designed for durability, it supports the overall framework and enhances the performance of the Wacker Neuson Dumper.
Reviews
Add a review
Write Your Own Review
Ask a Question
Customer Questions

