Description
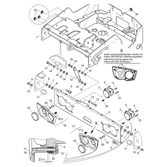
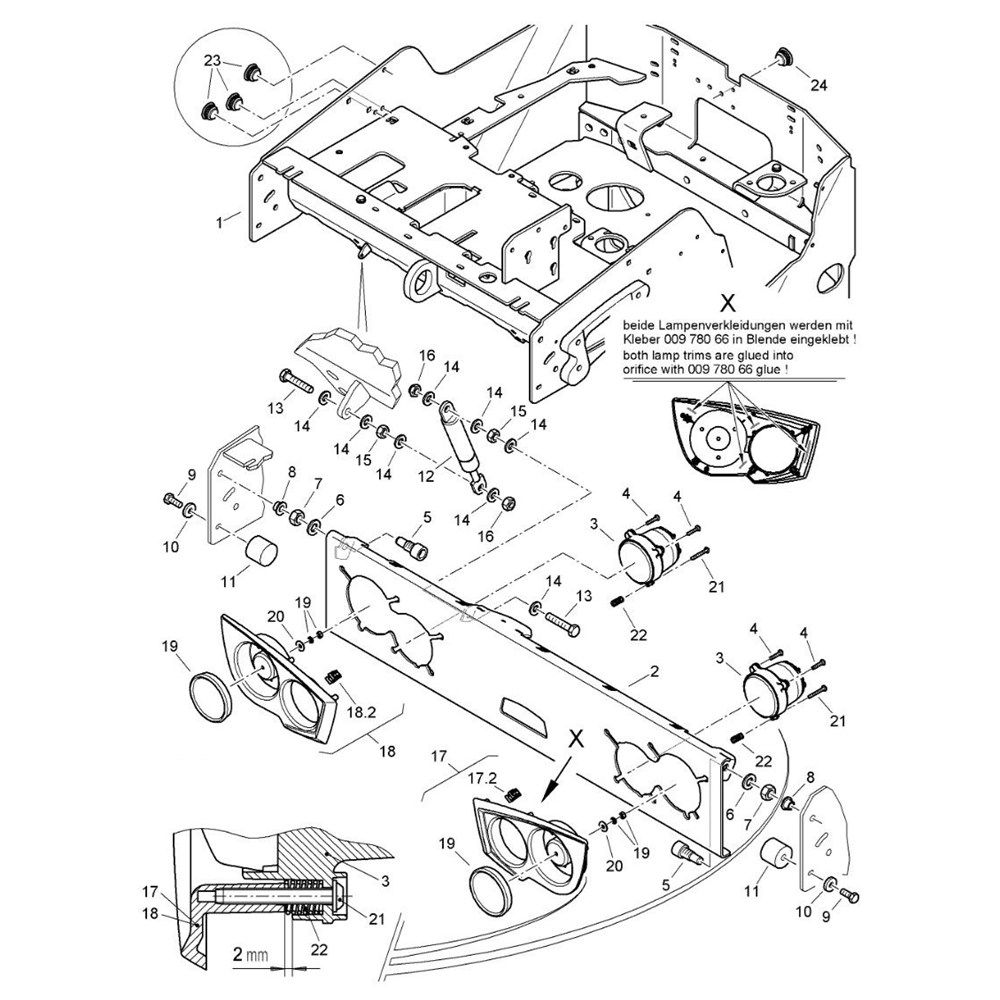
The Front Frame Assembly for the Bomag BW 120 AD-5 CC Roller is designed to ensure optimal performance and durability. This assembly includes key components that support the roller's structure and function, such as brackets, mounts, and fasteners. Essential for maintaining the integrity of the roller, these parts are genuine Bomag components, ensuring compatibility and reliability.
Reviews
Add a review
Write Your Own Review
Ask a Question
Customer Questions

