Description
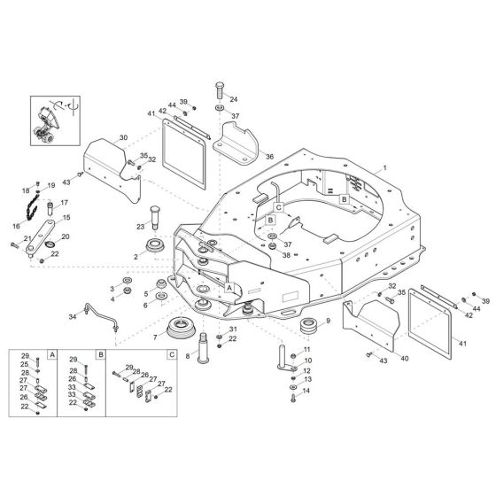
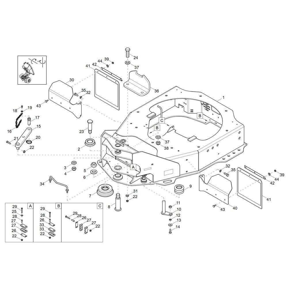
The Front Frame Assembly for the Wacker DW20-2 Dumper is essential for maintaining the structural integrity and operational efficiency of the machine. This assembly includes key components such as brackets, beams, and fasteners, designed to support the dumper's load and ensure stability during operation. Regular inspection and maintenance of these parts can help prevent downtime and extend the lifespan of the equipment.
Reviews
Add a review
Write Your Own Review
Ask a Question
Customer Questions

