Description
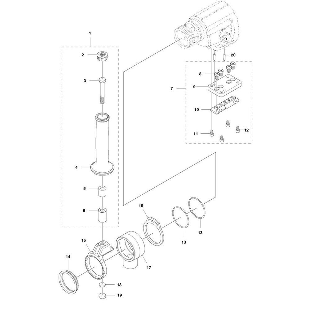
The Front Handle Assembly for the Husqvarna DM 220 Core Drill is designed to provide stability and control during drilling operations. This assembly includes components such as grips, brackets, and fasteners, ensuring a secure and comfortable handling experience. Essential for maintaining precision and safety, it is a vital part of the core drill's operation.
Reviews
Add a review
Write Your Own Review
Ask a Question
Customer Questions

