Description
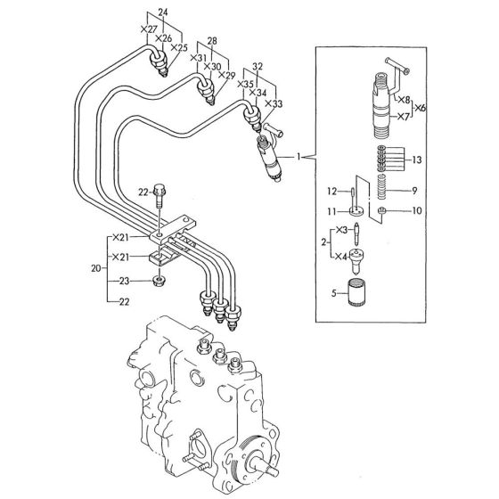
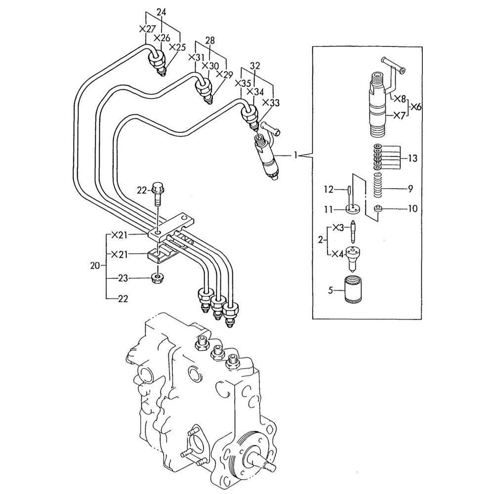
The Fuel Injection Line Assembly for the Yanmar 3TN100E-SMD Engine is designed to ensure efficient fuel delivery and optimal engine performance. This assembly includes essential components such as pipes, connectors, and seals, which work together to maintain the integrity of the fuel system. Genuine Yanmar parts ensure compatibility and reliability for your engine.
Reviews
Add a review
Write Your Own Review
Ask a Question
Customer Questions

