Description
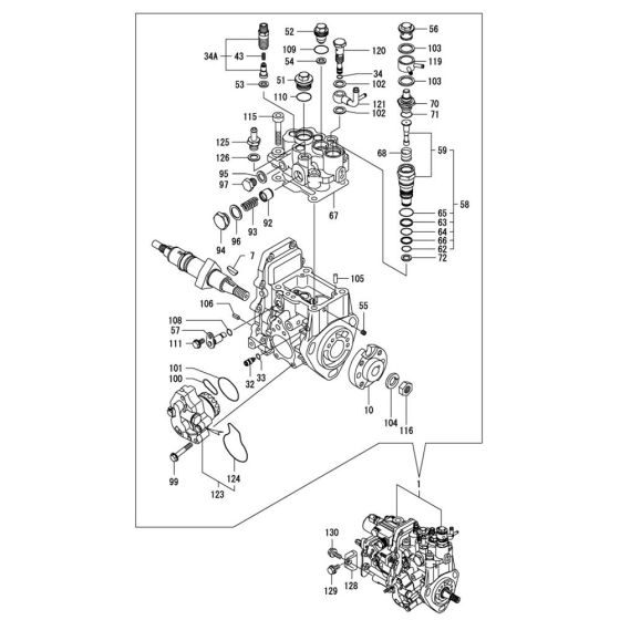
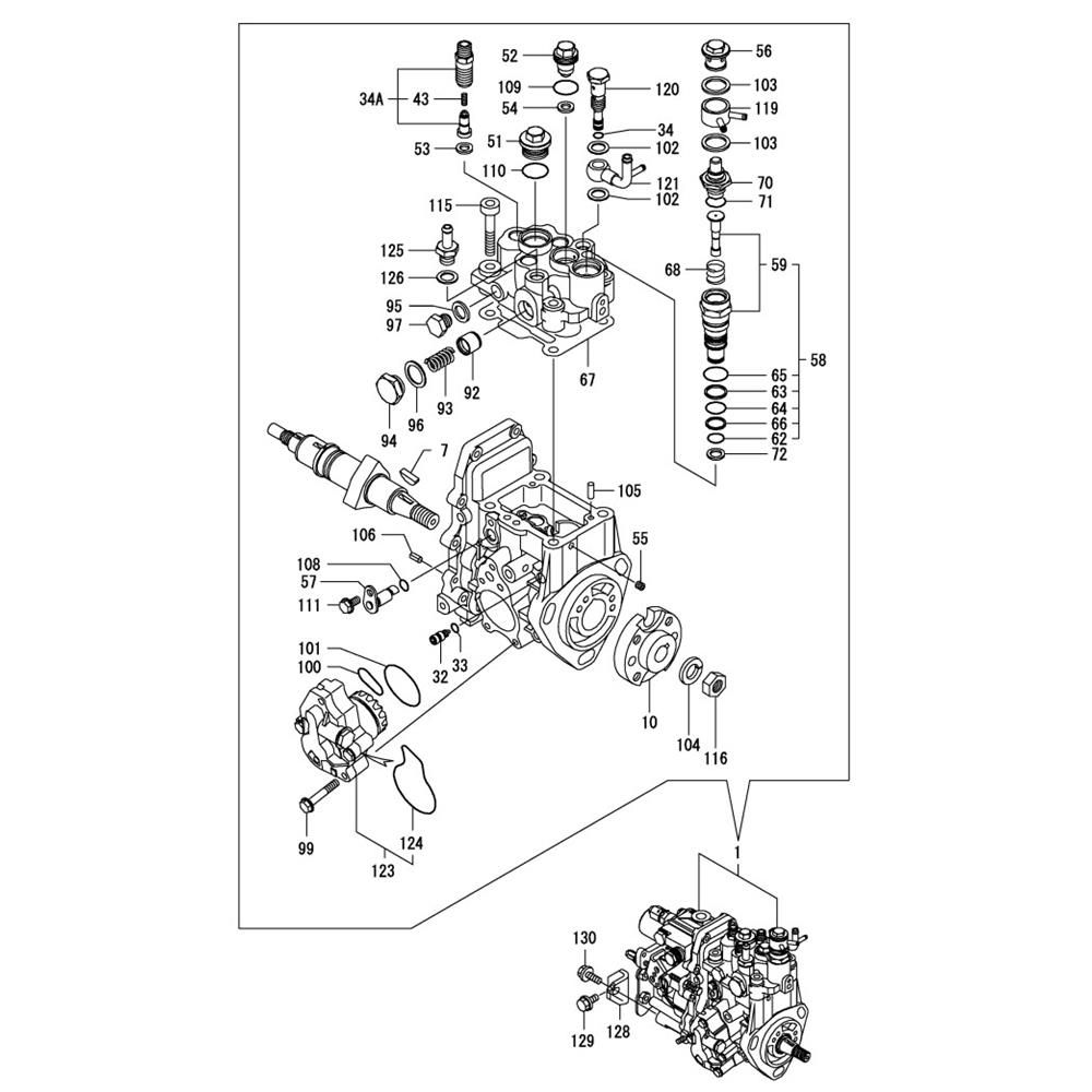
The Fuel Injection Pump Assembly for the Yanmar 3TNV88-BPTS Engine is designed to ensure optimal fuel delivery and engine performance. This assembly includes key components such as pumps, seals, and valves, crucial for maintaining efficient combustion and engine reliability. Genuine Yanmar parts ensure compatibility and durability for your engine's needs.
Reviews
Add a review
Write Your Own Review
Ask a Question
Customer Questions

