Description
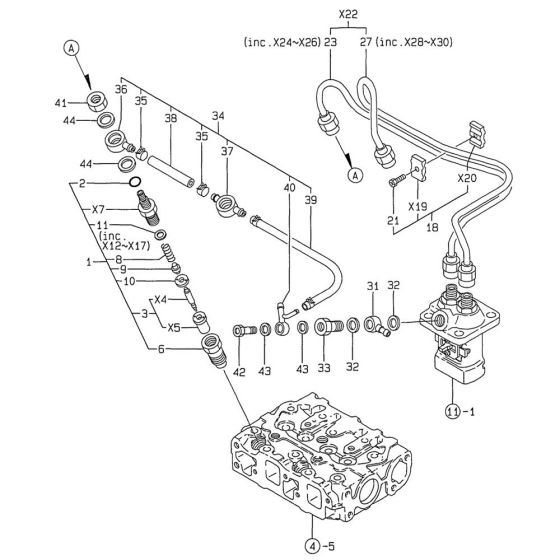
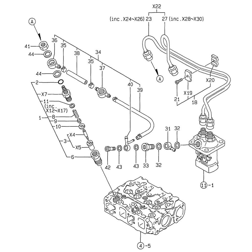
The Fuel Injection Valve Assembly for the Yanmar 2TN66E-DB Engine is designed to ensure optimal fuel delivery and engine performance. This assembly includes key components such as valves, seals, and springs, which work together to maintain efficient fuel injection. Genuine Yanmar parts ensure compatibility and reliability, supporting the engine's longevity and performance.
Reviews
Add a review
Write Your Own Review
Ask a Question
Customer Questions

