Description
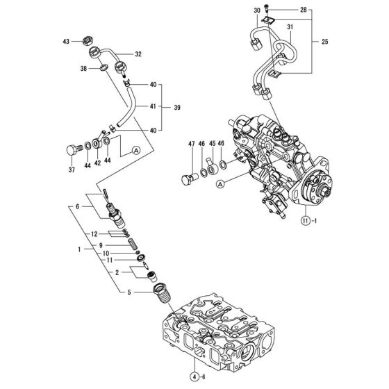
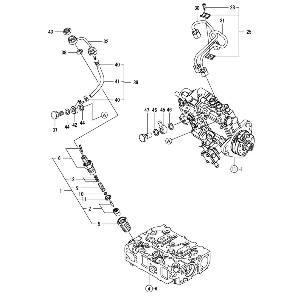
The Fuel Injection Valve Assembly for the Yanmar 2TNV66-DMIN Engine is designed to ensure optimal fuel delivery and engine performance. This assembly includes components such as valves, springs, and seals, which are crucial for maintaining efficient combustion and reducing emissions. Genuine Yanmar parts ensure compatibility and reliability for your engine.
Reviews
Add a review
Write Your Own Review
Ask a Question
Customer Questions

