Description
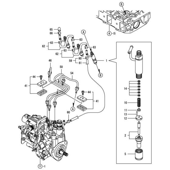
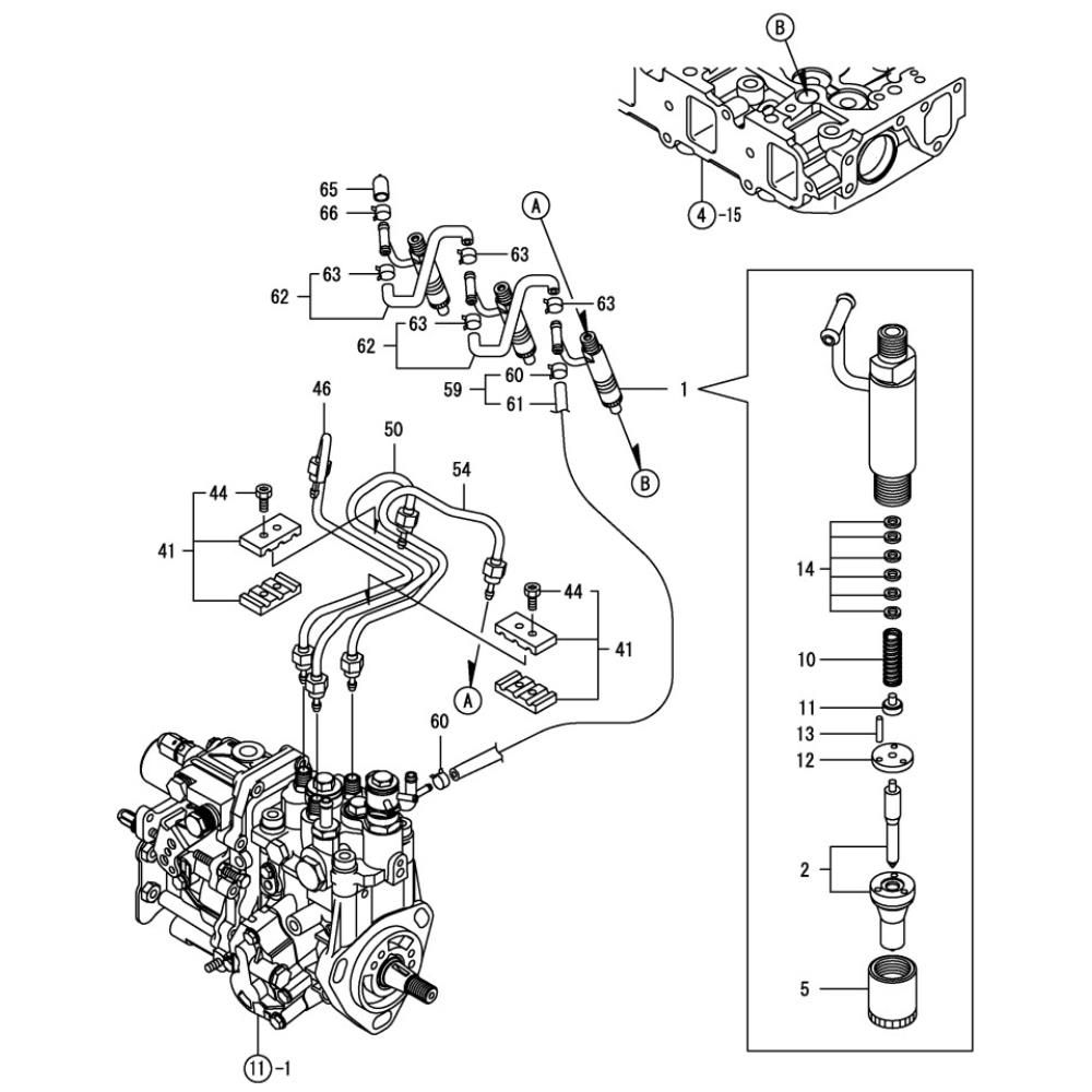
The Fuel Injection Valve Assembly for the Yanmar 3TNV88-BPTS Engine is crucial for efficient fuel delivery and engine performance. This assembly includes components like valves and seals, ensuring precise fuel atomisation and combustion. Designed for reliability and longevity, it helps maintain optimal engine function and reduces emissions.
Reviews
Add a review
Write Your Own Review
Ask a Question
Customer Questions

