Description
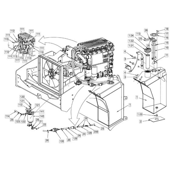
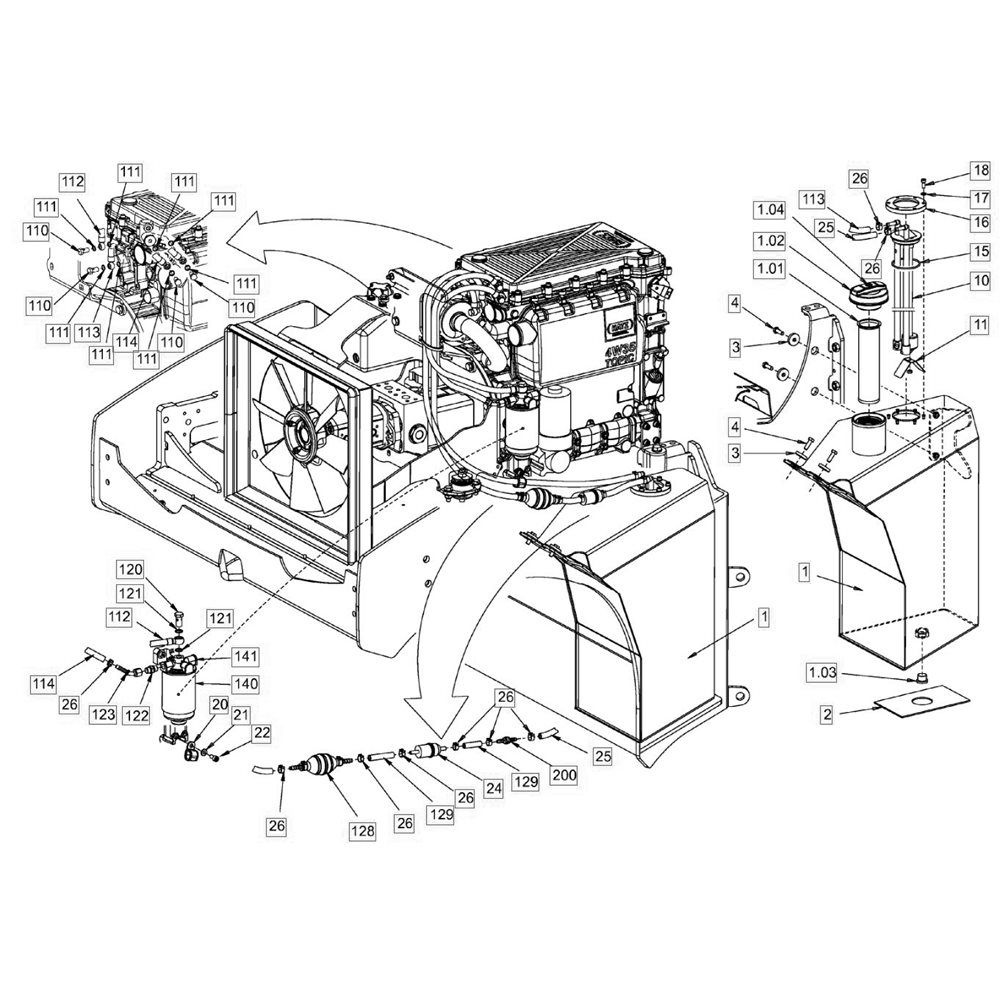
The Fuel System for the Hamm HD13 - 14 (H172) Compaction Roller includes essential components to ensure efficient fuel delivery and engine performance. Designed for both genuine and non-genuine parts, this system supports optimal operation and longevity. Components may include fuel pumps, filters, injectors, and hoses, catering to various maintenance needs.
Reviews
Add a review
Write Your Own Review
Ask a Question
Customer Questions

