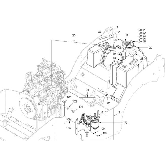
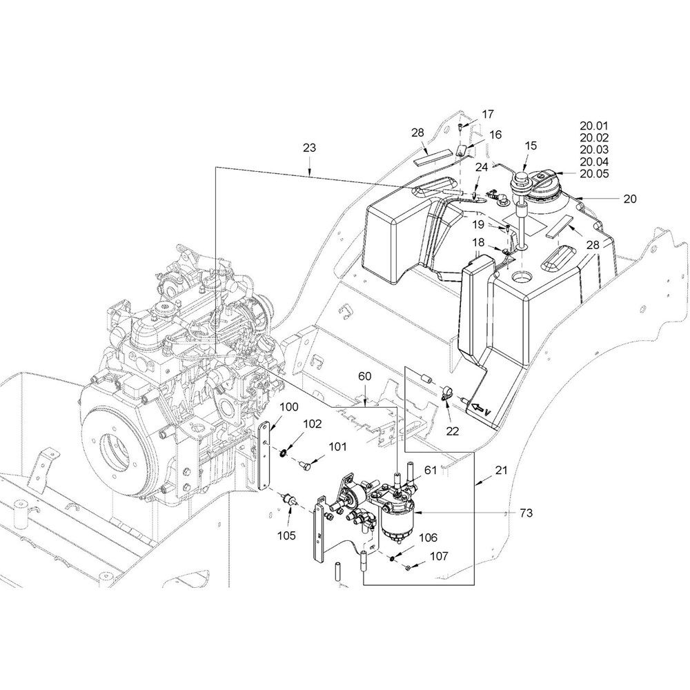
Description
The Fuel Tank Assembly for the Hamm HD18 - 20 (H292) Roller is designed to ensure efficient fuel storage and delivery. This assembly is crucial for maintaining the roller's performance and includes components like the tank, cap, and mounting brackets. Genuine Hamm parts ensure compatibility and reliability, supporting the roller's operational needs.
Reviews
Add a review
Write Your Own Review
Ask a Question
Customer Questions

