Description
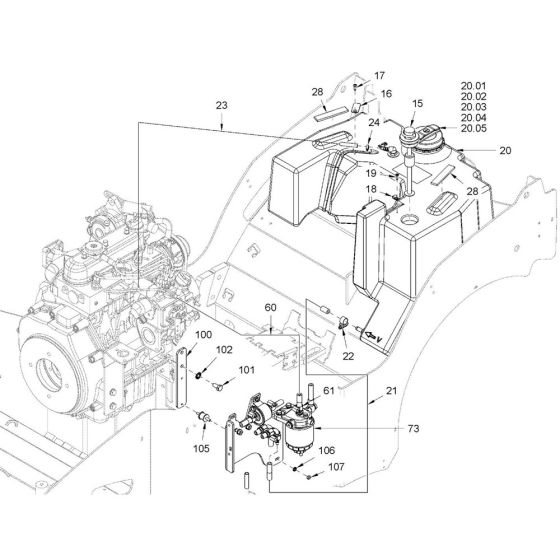
The Fuel Tank Assembly for Hamm HD18 - 20 (H293) Rollers is designed to ensure optimal fuel storage and delivery for your roller. This assembly includes components such as the tank, fuel lines, and caps, which are essential for maintaining efficient operation. Genuine Hamm parts ensure compatibility and reliability, helping to extend the lifespan of your equipment.
Reviews
Add a review
Write Your Own Review
Ask a Question
Customer Questions

