Description
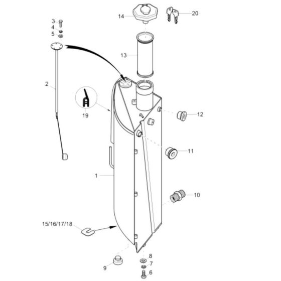
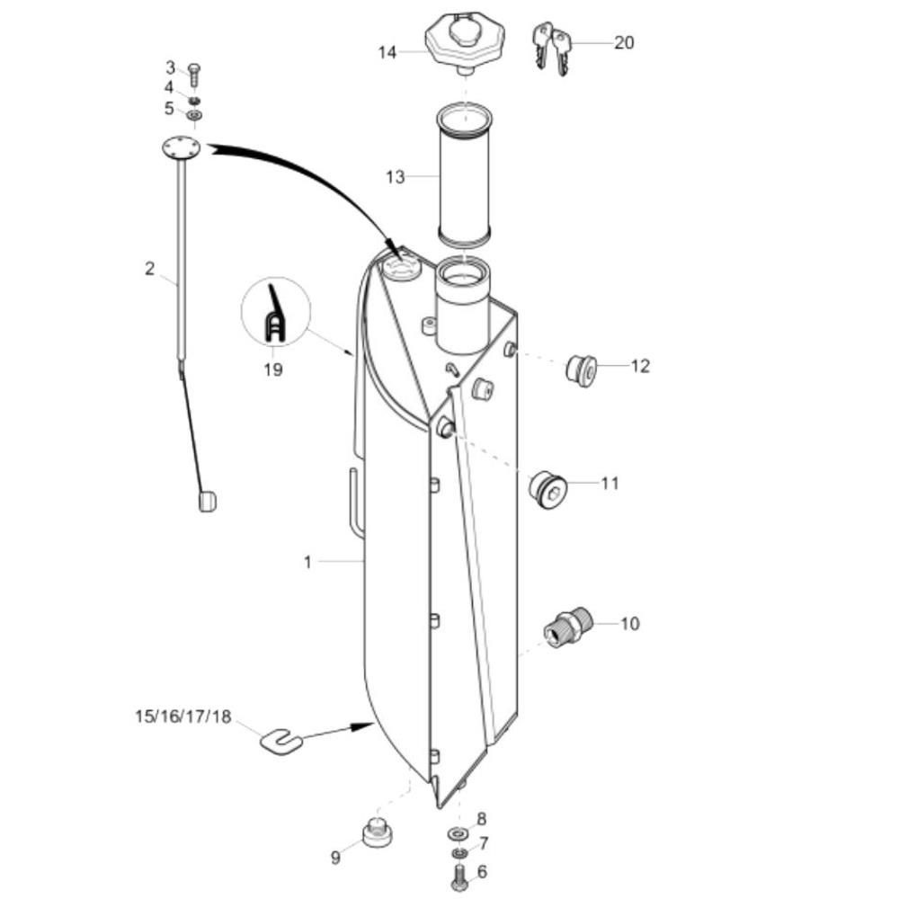
The Fuel Tank Assembly for the Wacker 50Z3 Mini Excavator includes essential components to ensure efficient fuel storage and delivery. This assembly is crucial for maintaining the excavator's operational reliability. Components may include the tank, caps, hoses, and fittings, all designed to fit the Wacker Neuson model precisely.
Reviews
Add a review
Write Your Own Review
Ask a Question
Customer Questions

