Description
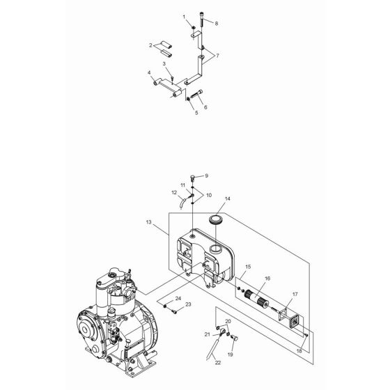
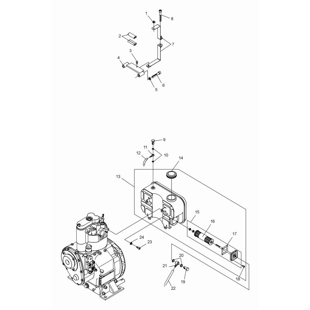
The Fuel Tank Assembly for the Wacker DPS3060 Plate Compactor is designed to ensure efficient fuel storage and delivery. This assembly includes components such as the tank, cap, and mounting brackets, essential for maintaining the machine's performance. Suitable for routine maintenance and repair, it helps ensure the compactor operates smoothly and reliably.
Reviews
Add a review
Write Your Own Review
Ask a Question
Customer Questions

