Description
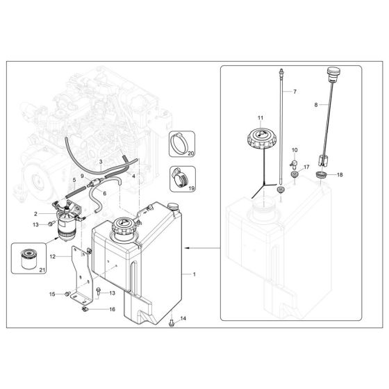
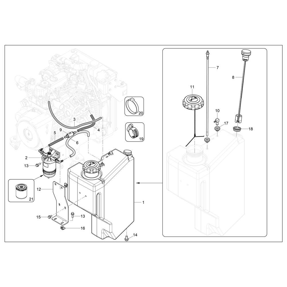
The Fuel Tank Assembly for the Wacker RD14 Roller is designed to ensure efficient fuel storage and delivery. It includes components like caps, hoses, and seals, which are essential for maintaining optimal performance. This assembly helps in reducing downtime and enhancing the reliability of the roller during operation. Genuine Wacker Neuson parts ensure compatibility and durability.
Reviews
Add a review
Write Your Own Review
Ask a Question
Customer Questions

