Description
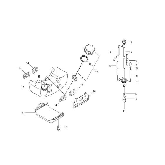
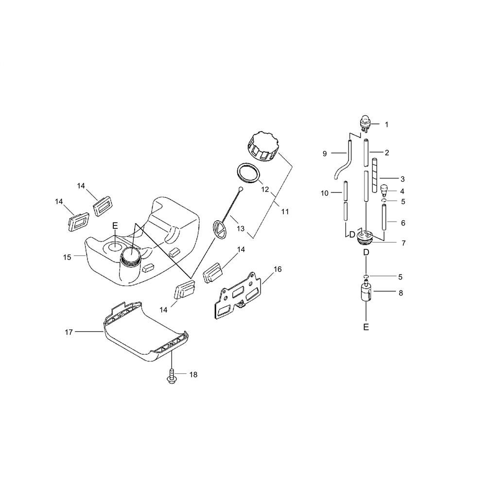
The fuel tank for the ECHO SRM-335ES/U Brushcutter is designed to store and supply fuel efficiently, ensuring optimal performance during operation. This component is crucial for maintaining the brushcutter's functionality and is available in both genuine and non-genuine parts. It supports the engine by providing a consistent fuel flow, essential for prolonged use.
Reviews
Add a review
Write Your Own Review
Ask a Question
Customer Questions

