Description
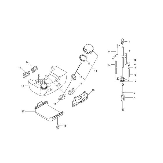
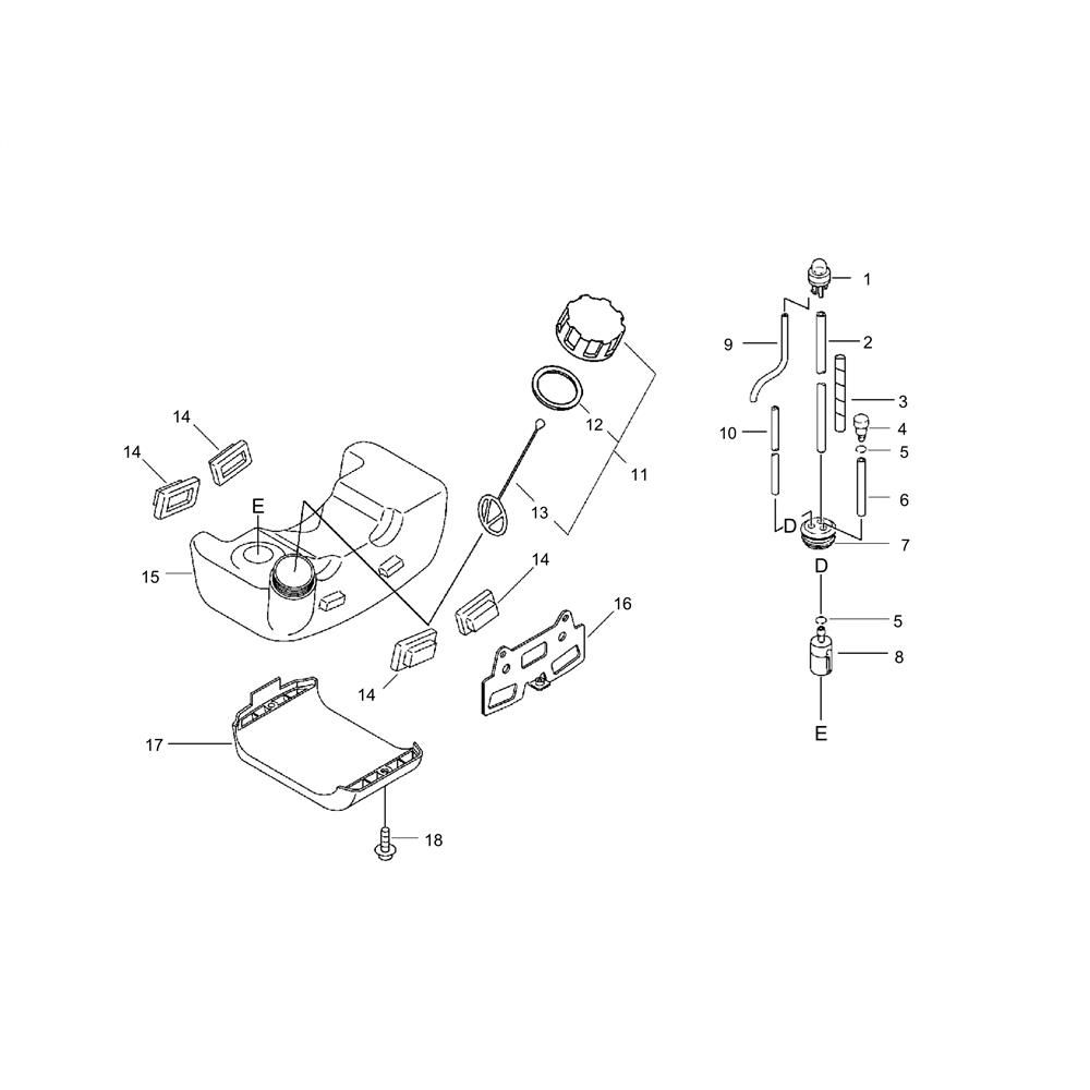
The fuel tank for the ECHO SRM-335TES/U Brushcutter is designed to securely store and supply fuel to the engine, ensuring efficient operation. This component is crucial for maintaining the brushcutter's performance and reliability. Available in both genuine and non-genuine parts, it offers flexibility for repairs and replacements.
Reviews
Add a review
Write Your Own Review
Ask a Question
Customer Questions

