Description
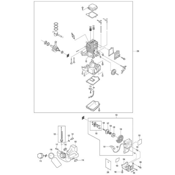
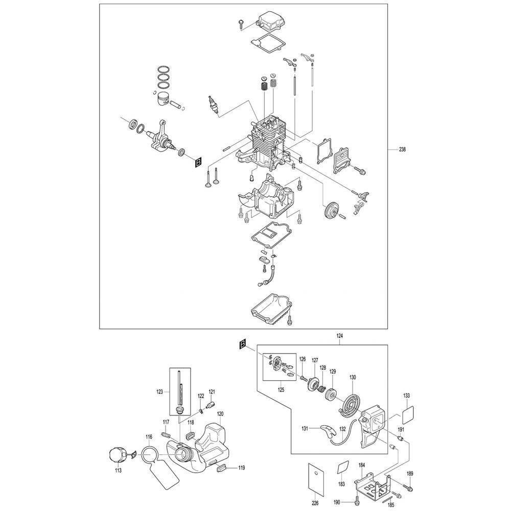
The Fuel Tank and Starter Assembly for the Makita EM2511LH Brushcutter includes key components for efficient operation and maintenance. The fuel tank ensures proper storage and supply of fuel, while the starter assembly facilitates easy engine ignition. These genuine Makita parts are designed to fit perfectly and maintain the brushcutter's performance.
Reviews
Add a review
Write Your Own Review
Ask a Question
Customer Questions

