Description
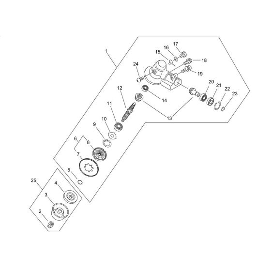
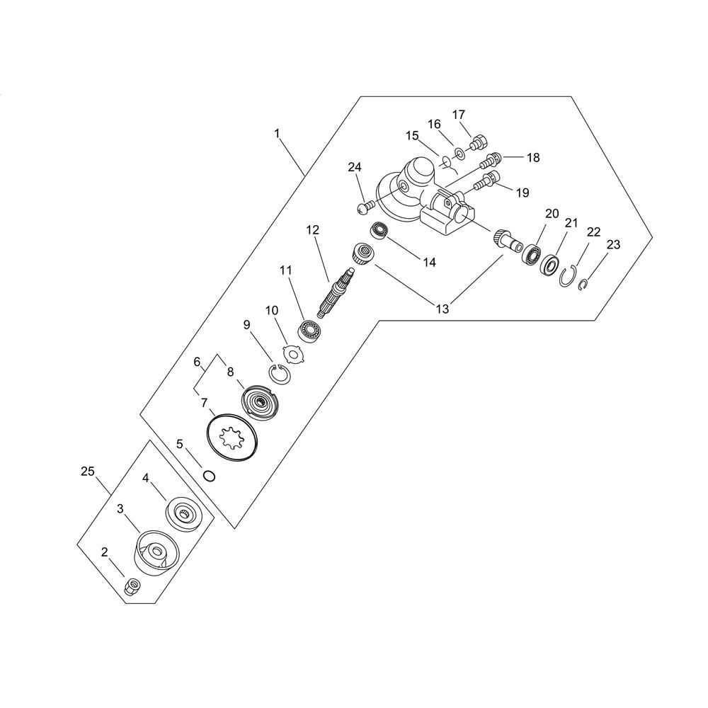
The Gear Case for the ECHO SRM-265ES/U Brushcutter is designed to ensure smooth operation and efficient power transfer. It plays a crucial role in the functionality of the brushcutter, housing components such as gears, bearings, and seals. This assembly is essential for maintaining the performance and longevity of your equipment. Available in both genuine and non-genuine parts.
Reviews
Add a review
Write Your Own Review
Ask a Question
Customer Questions

