Description
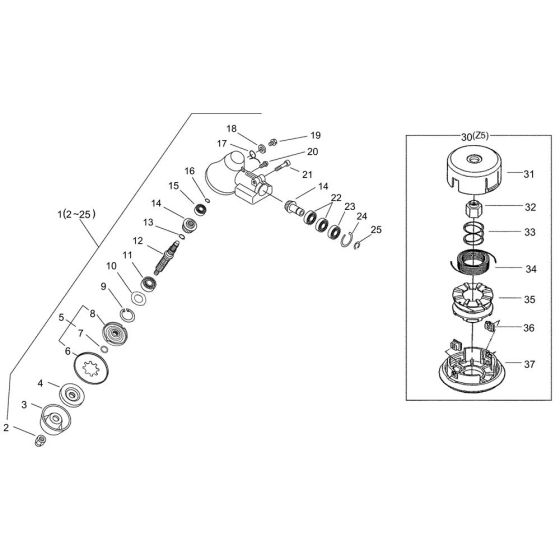
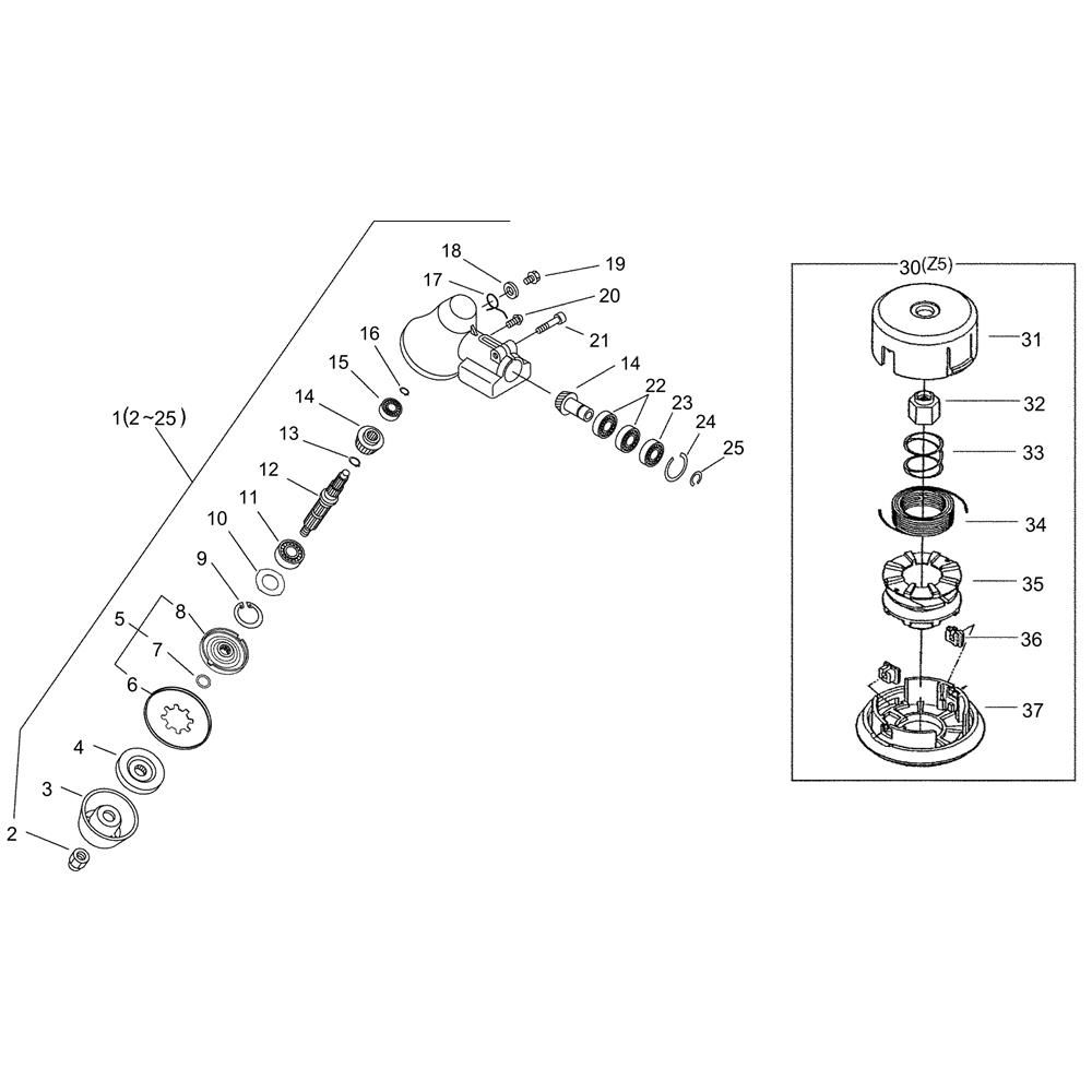
The Gear Case for the ECHO SRM-335TES/U Brushcutter is essential for transferring power efficiently from the engine to the cutting head. This component ensures smooth operation and optimal performance. Available in genuine and non-genuine parts, it includes gears, shafts, and bearings to maintain the brushcutter's functionality.
Reviews
Add a review
Write Your Own Review
Ask a Question
Customer Questions

