Description
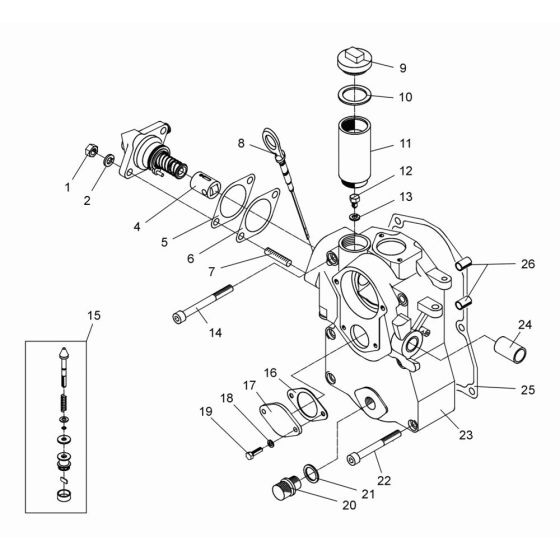
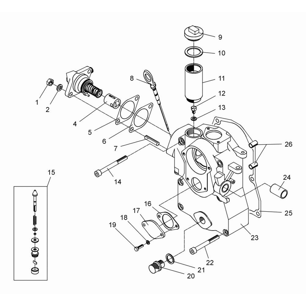
The Gear Casing Assembly for the Wacker DPS2050 Plate Compactor is essential for housing and protecting the internal gears that drive the machine. This assembly ensures smooth operation and durability, safeguarding against dust and debris. Components typically include the casing, seals, and fasteners, all designed to maintain the compactor's performance and longevity.
Reviews
Add a review
Write Your Own Review
Ask a Question
Customer Questions

