Description
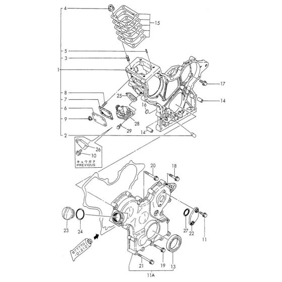
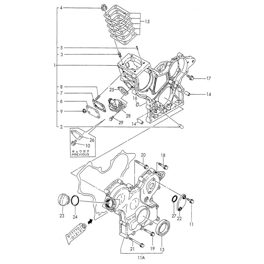
The Gear Housing Assembly for the Yanmar 2TN66L-UTBA Engine is designed to house and protect the gears that drive the engine's operation. This assembly ensures smooth transmission of power and reduces wear by maintaining proper alignment and lubrication. It includes components such as seals, gaskets, and fasteners, essential for maintaining engine efficiency and longevity.
Reviews
Add a review
Write Your Own Review
Ask a Question
Customer Questions

