Description
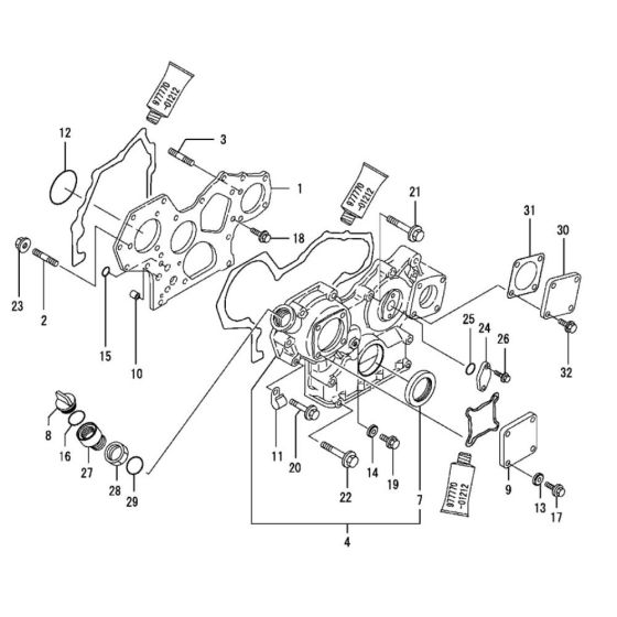
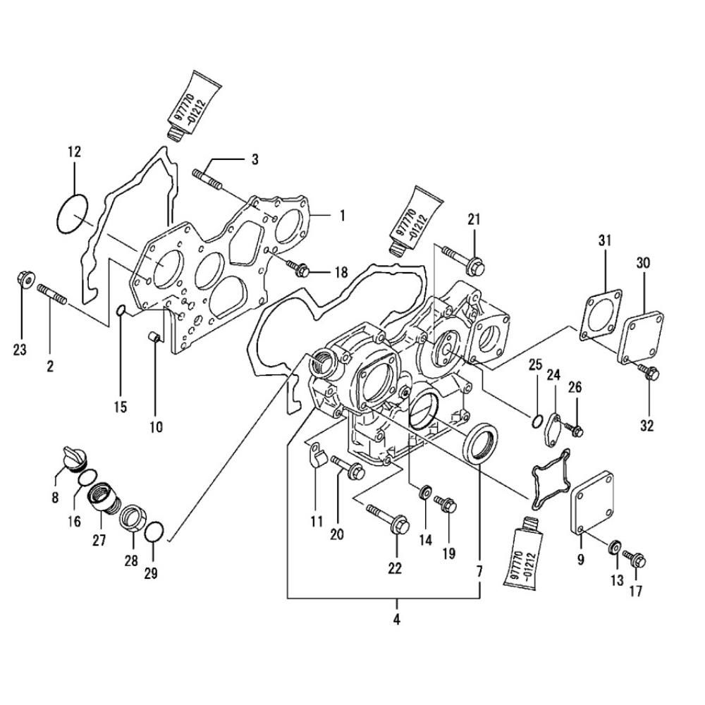
The Gear Housing Assembly for the Yanmar 4TNE88-RBS1 Engine is designed to ensure optimal performance and longevity. This assembly includes critical components such as gears, shafts, and seals that work together to transfer power efficiently within the engine. Regular maintenance with genuine Yanmar parts helps maintain engine reliability and efficiency.
Reviews
Add a review
Write Your Own Review
Ask a Question
Customer Questions

