Description
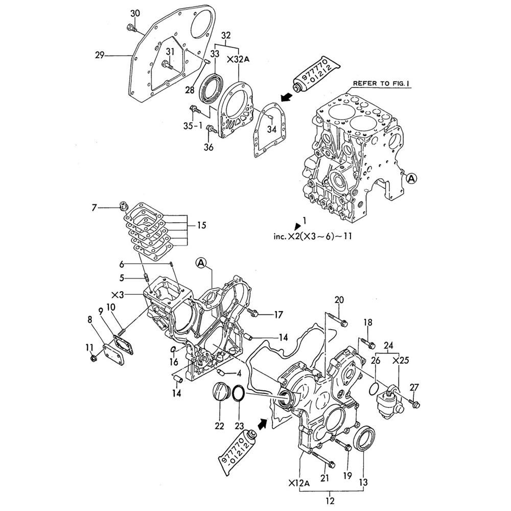
The Gear Housing and Mounting Flange Assembly for the Yanmar 2TN66E-YL Engine includes essential components to ensure optimal engine performance. This assembly aids in securing the engine and maintaining alignment, crucial for efficient operation. Available parts include flanges, gaskets, and seals, designed to fit precisely and enhance durability.
Reviews
Add a review
Write Your Own Review
Ask a Question
Customer Questions

