Description
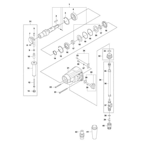
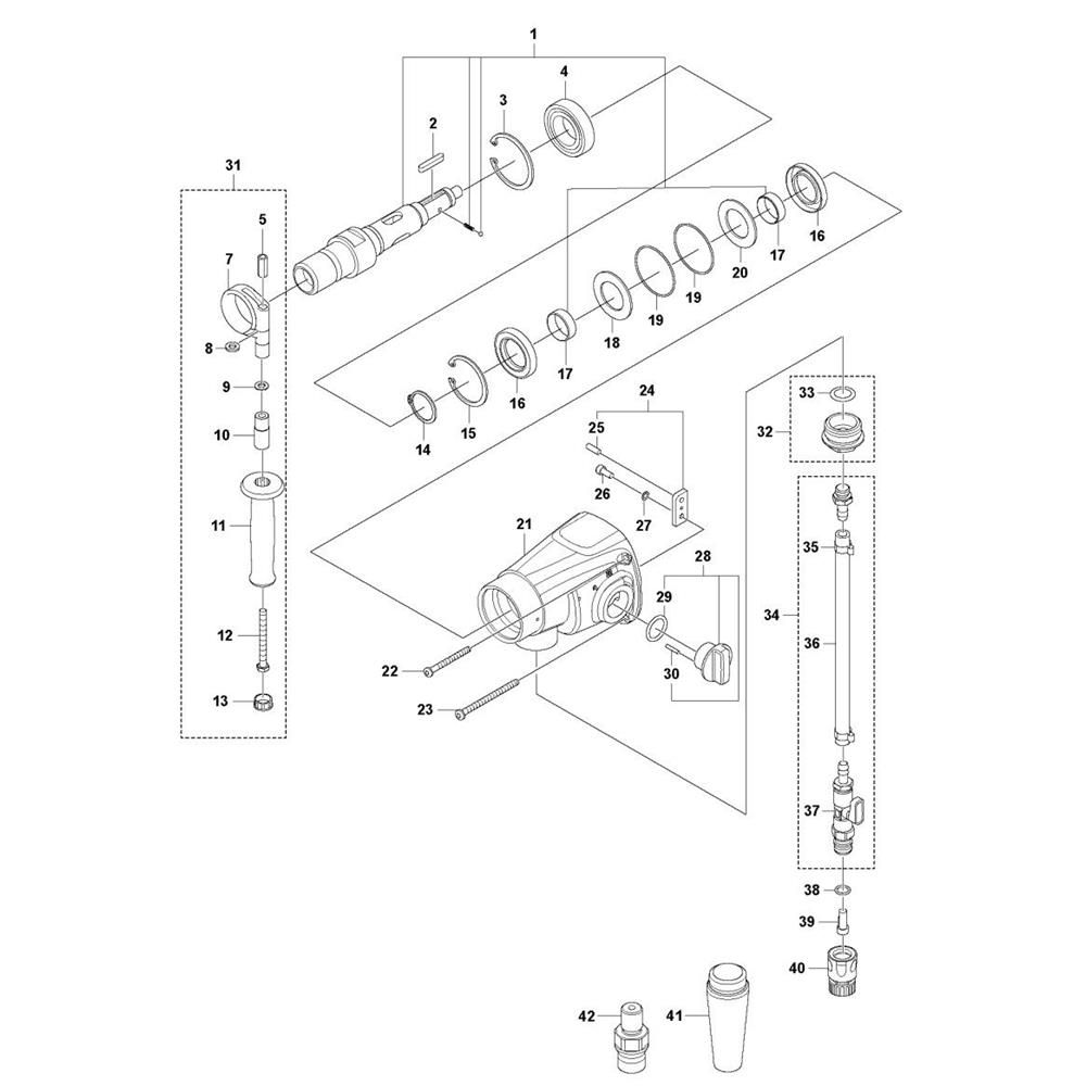
The Gearbox Assembly for the Husqvarna DM 200 Core Drill is crucial for efficient drilling operations. It ensures smooth power transmission and optimal performance, reducing wear and tear on the drill. This assembly includes key components such as gears, shafts, and bearings, designed to maintain the drill's reliability and longevity. Suitable for routine maintenance and repairs.
Reviews
Add a review
Write Your Own Review
Ask a Question
Customer Questions

