Description
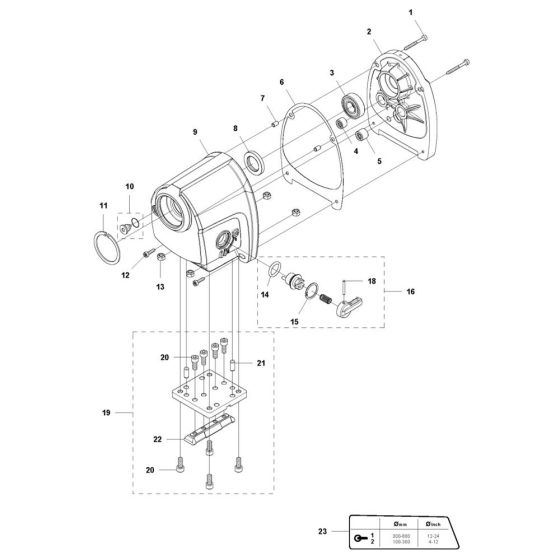
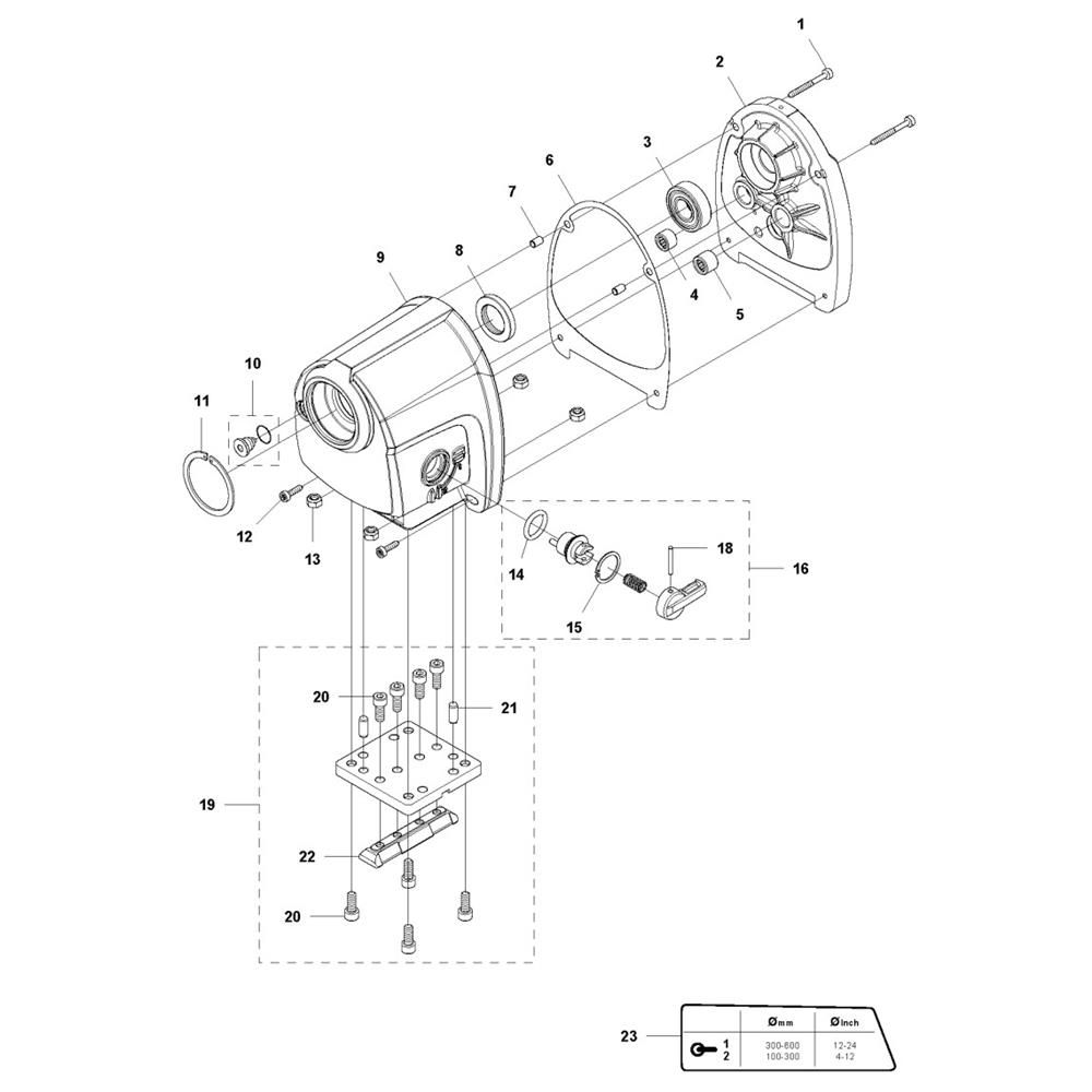
The Gearbox Assembly for the Husqvarna DM 650 Core Drill is designed to ensure optimal performance and longevity of your drilling equipment. This assembly includes key components such as gears, shafts, and bearings, which are essential for smooth operation and efficient power transmission. Ideal for routine maintenance and repair, it helps maintain the drill's reliability and effectiveness.
Reviews
Add a review
Write Your Own Review
Ask a Question
Customer Questions

