Description
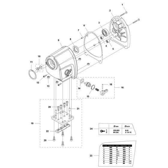
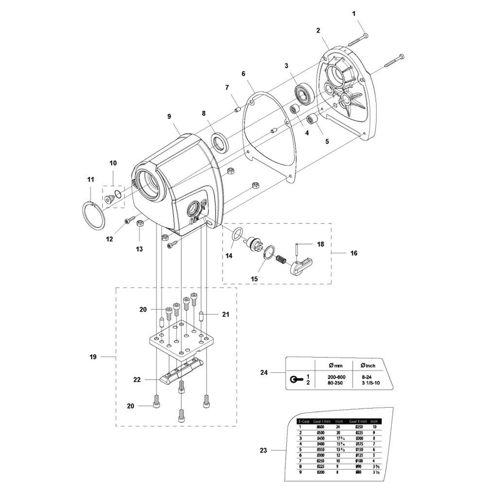
The Gearbox Assembly for the Husqvarna DM 700 Core Drill is crucial for efficient drilling operations. It ensures smooth power transmission and optimal performance. This assembly includes key components such as gears, shafts, and bearings, designed to withstand the rigours of heavy-duty use. Genuine Husqvarna parts guarantee compatibility and durability, making it ideal for maintaining your core drill's functionality.
Reviews
Add a review
Write Your Own Review
Ask a Question
Customer Questions

