Description
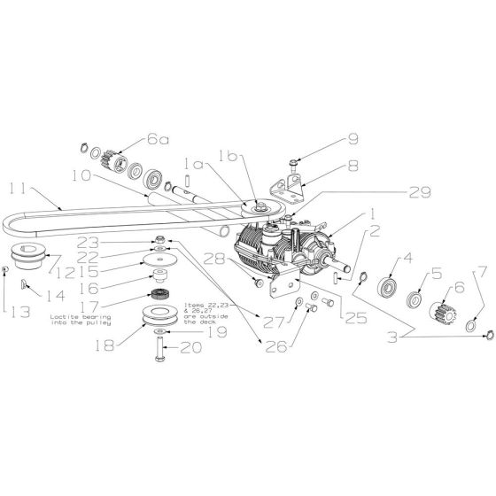
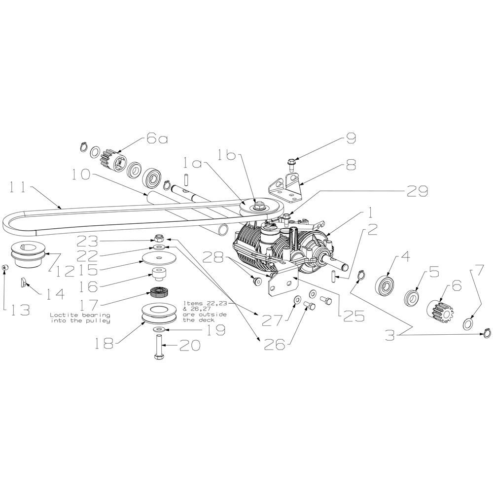
The Gearbox Assembly for the Masport Contractor (2017 Apr 478751) Mower is essential for efficient power transmission and smooth operation. This assembly includes components like gears, shafts, and bearings, ensuring optimal performance and durability. Designed for easy integration, it supports the mower's functionality and longevity.
Reviews
Add a review
Write Your Own Review
Ask a Question
Customer Questions

