Description
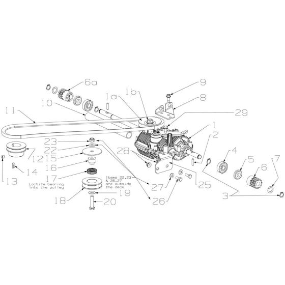
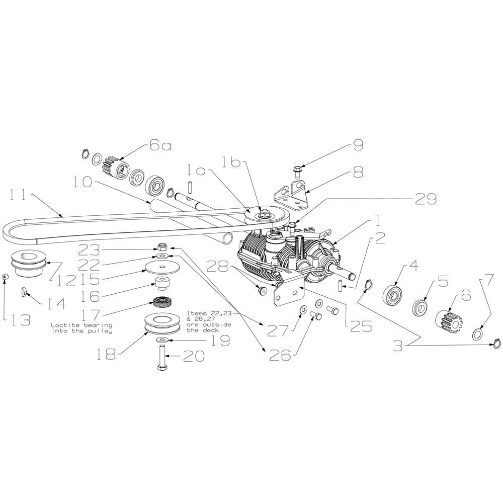
The Gearbox Assembly for the Morrison Contractor Commercial Mower (2016 Dec 467757) is designed to ensure optimal performance and longevity. This assembly includes key components such as gears, shafts, and bearings, which are essential for smooth operation and efficient power transmission. Ideal for routine maintenance and repairs, it helps maintain the mower's reliability and effectiveness.
Reviews
Add a review
Write Your Own Review
Ask a Question
Customer Questions

