Description
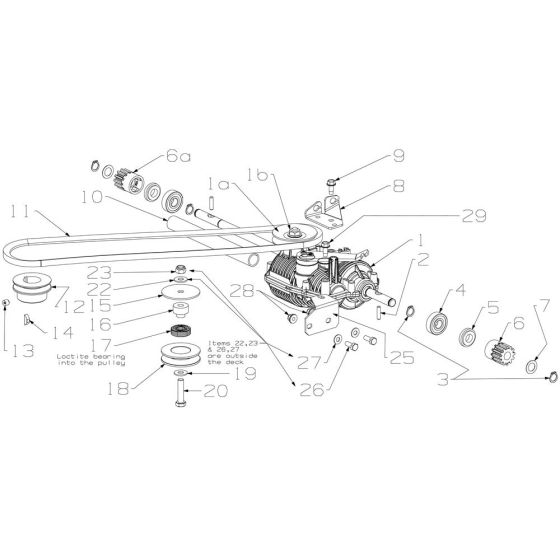
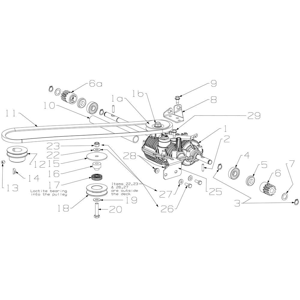
The Gearbox Assembly for the Morrison Contractor Commercial Mower ensures optimal performance and durability. Designed for the 2017 Dec 467799 model, this assembly includes key components like gears, shafts, and bearings. It plays a crucial role in transferring power efficiently, enhancing the mower's operational efficiency. Genuine Morrison parts guarantee compatibility and reliability.
Reviews
Add a review
Write Your Own Review
Ask a Question
Customer Questions

