Description
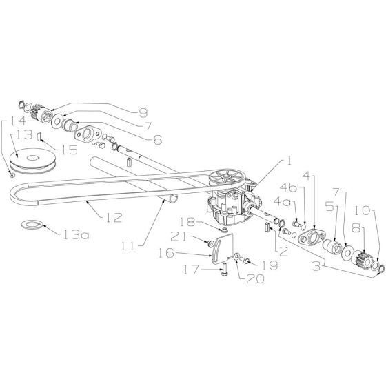
The Gearbox Assembly for the Morrison Rocket SP (2015 Dec 464933) Power Drive Mower is designed to ensure optimal performance and longevity. This assembly includes key components such as gears, shafts, and bearings, which work together to transmit power efficiently. Regular maintenance of these parts helps maintain smooth operation and extends the life of your mower.
Reviews
Add a review
Write Your Own Review
Ask a Question
Customer Questions

