Description
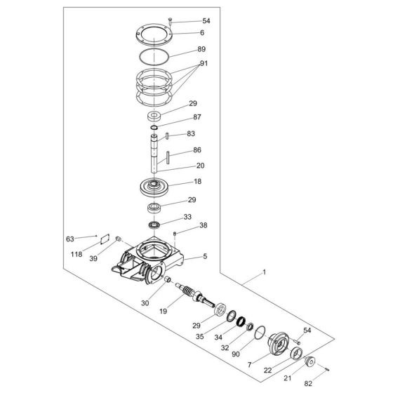
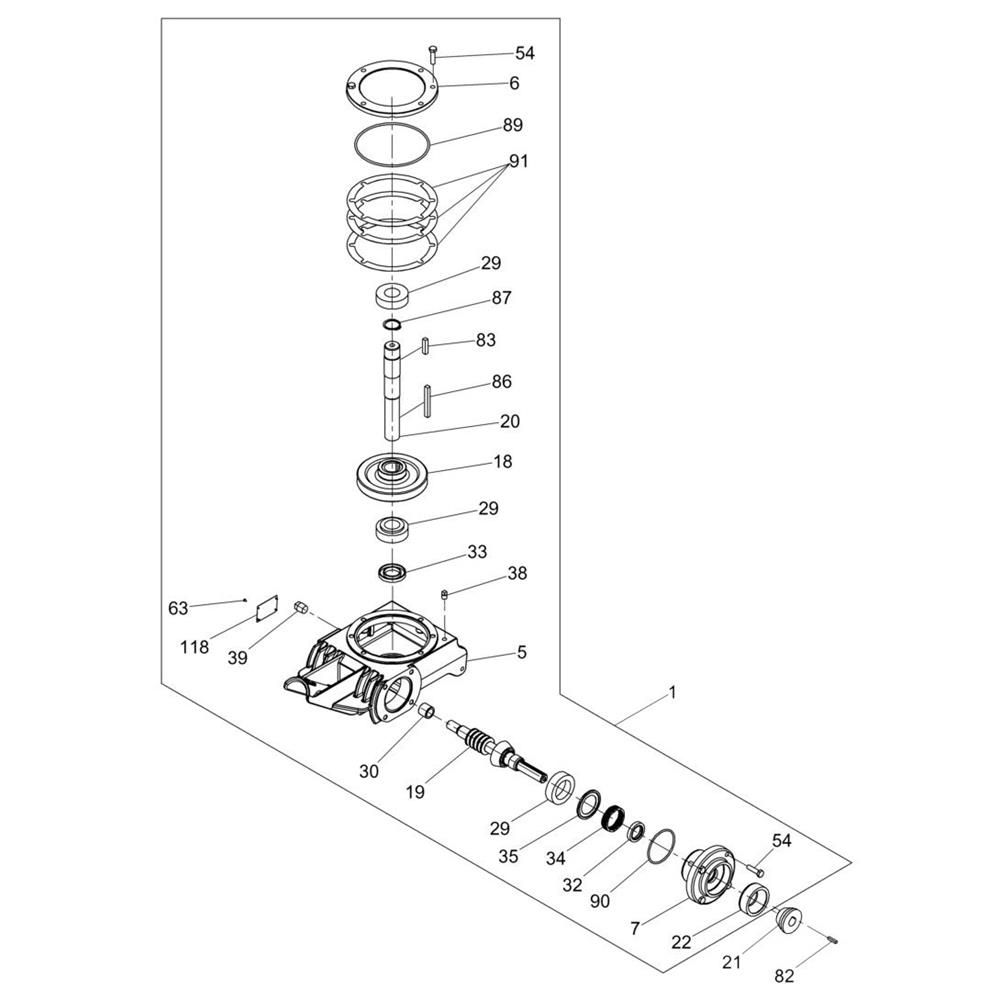
The Gearbox Assembly for the Wacker CT36-8 Trowel is essential for optimal performance and longevity. This assembly includes crucial components that ensure smooth operation and efficient power transmission. Designed for the Wacker Neuson Walk-Behind Trowel, it helps maintain the machine's reliability and effectiveness in concrete finishing tasks.
Reviews
Add a review
Write Your Own Review
Ask a Question
Customer Questions

