Description
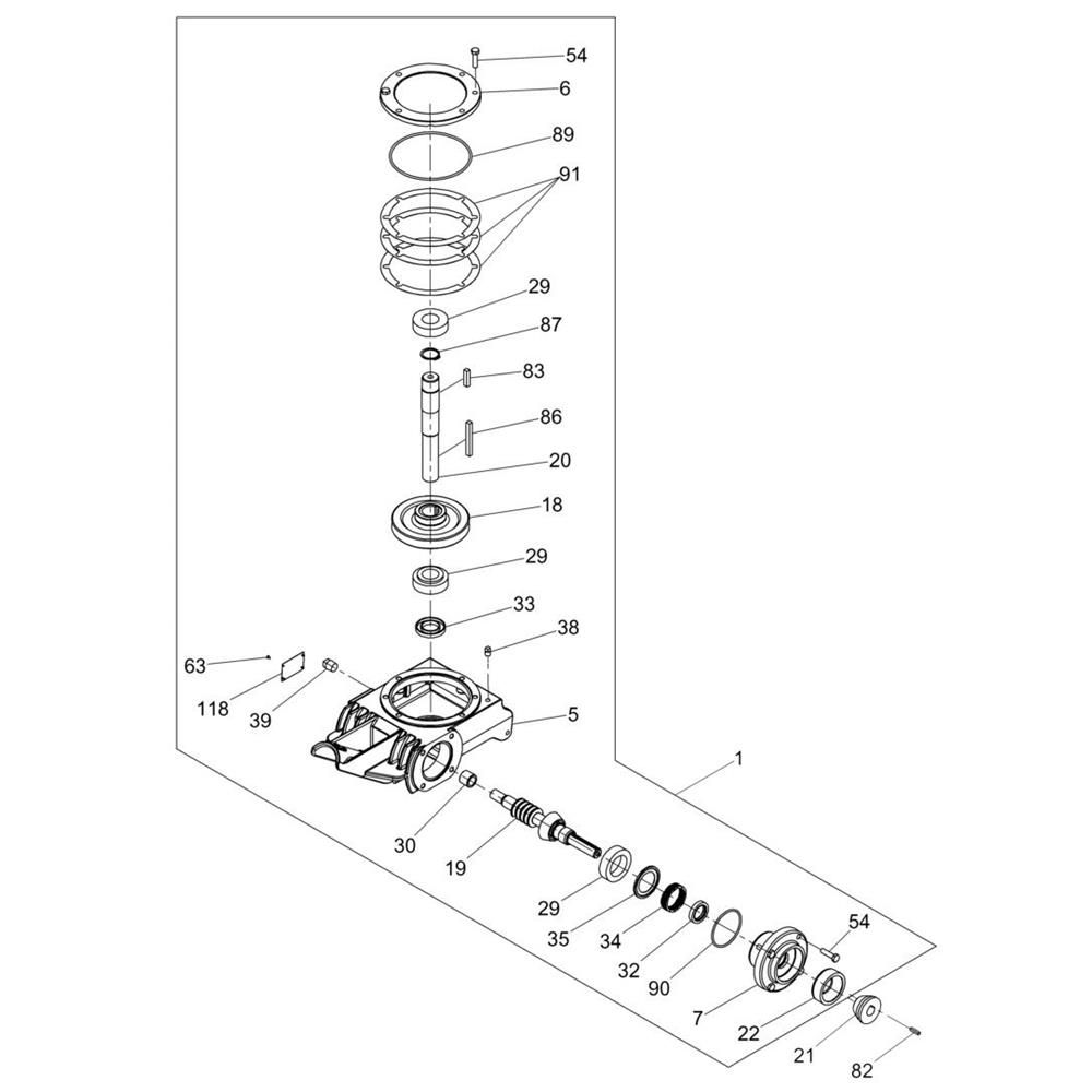
The Gearbox Assembly for the Wacker CT48-11 Trowel is crucial for optimal performance and longevity. This assembly ensures smooth operation and efficient power transfer in your walk-behind trowel. It includes key components such as gears, shafts, and bearings, designed to withstand the demands of construction environments. Genuine Wacker Neuson parts ensure compatibility and reliability.
Reviews
Add a review
Write Your Own Review
Ask a Question
Customer Questions

