Description
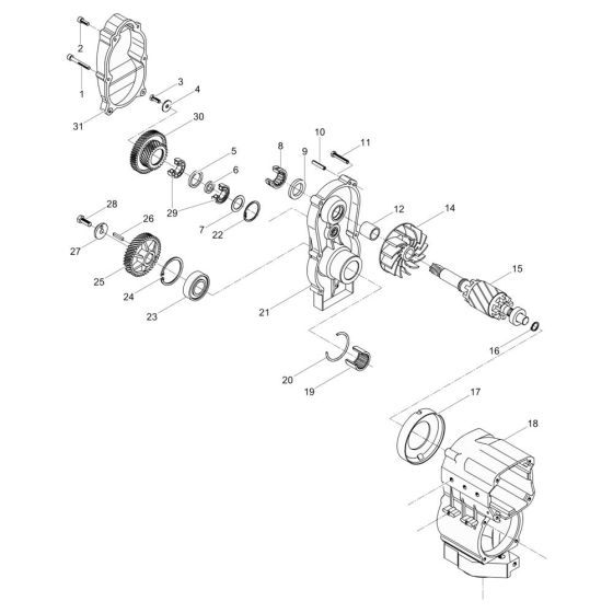
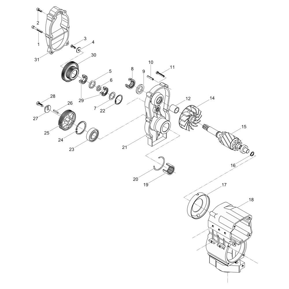
The Gearbox Assembly for the Wacker TEH 1 Breaker is crucial for transferring power efficiently within the machine. This assembly includes key components such as gears, shafts, and bearings, ensuring optimal performance and durability. Designed for the Wacker Neuson Electric Breaker, it aids in maintaining the tool's reliability and effectiveness during heavy-duty tasks.
Reviews
Add a review
Write Your Own Review
Ask a Question
Customer Questions

