Description
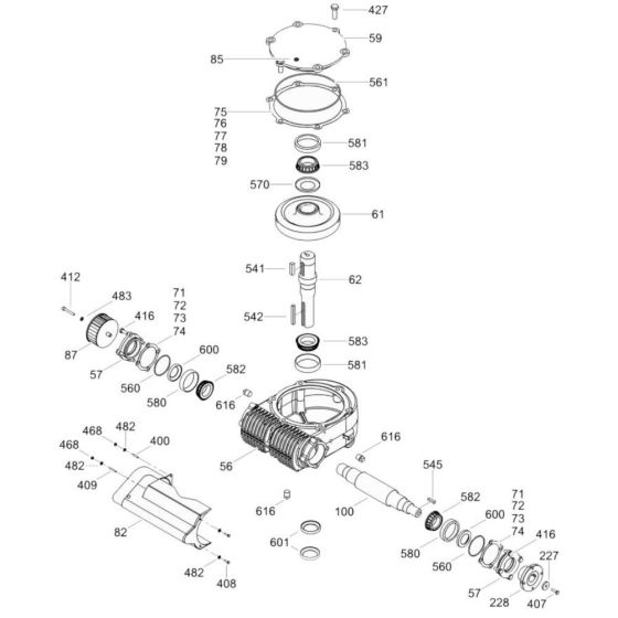
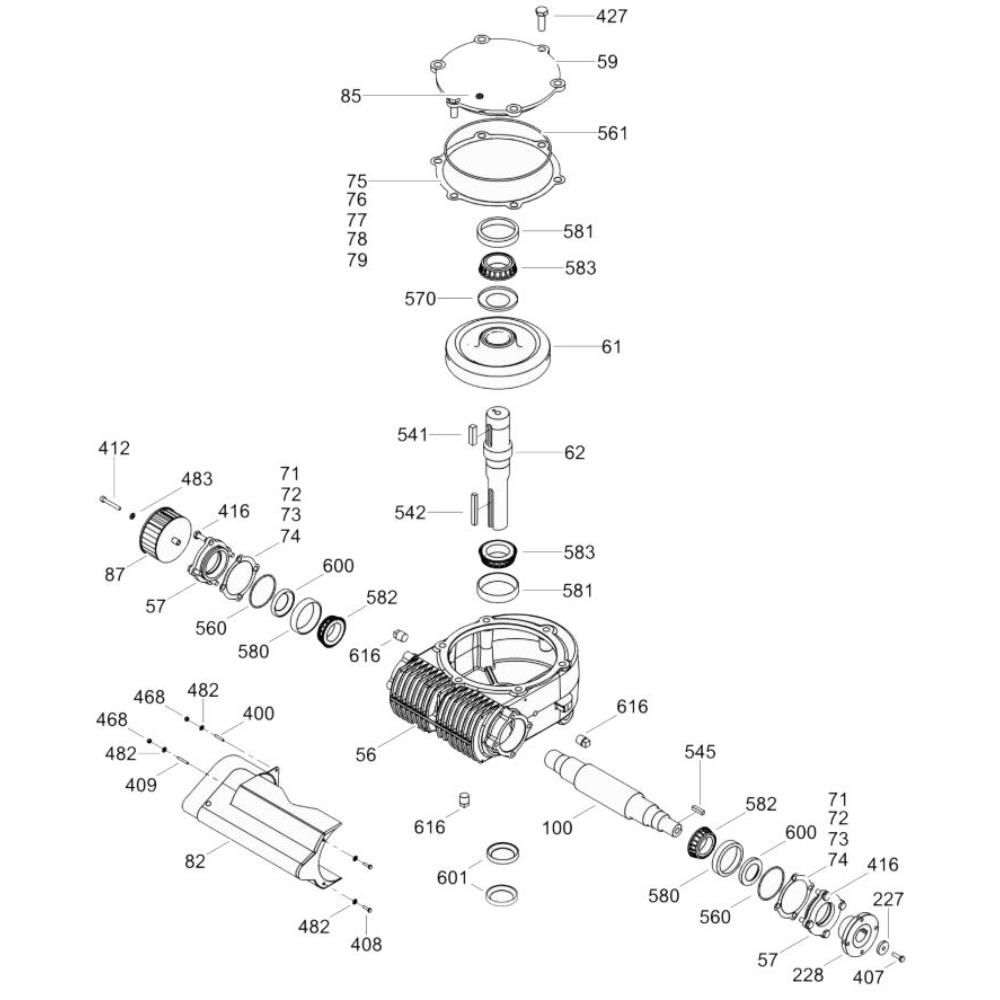
The Gearbox (Right) Assembly for the Wacker CRT 48-34 Trowel ensures optimal performance and longevity of your ride-on trowel. This assembly includes key components that facilitate smooth operation and efficient power transmission. Essential for maintaining the trowel's functionality, it includes gears, shafts, and bearings, all designed to meet the high standards of Wacker Neuson equipment.
Reviews
Add a review
Write Your Own Review
Ask a Question
Customer Questions

