Description
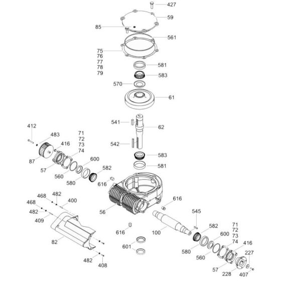
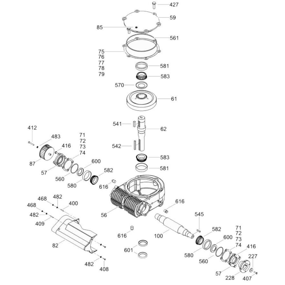
The Gearbox (Right) Assembly for the Wacker CRT 48-35L Trowel is essential for optimal machine performance. This assembly ensures smooth operation and longevity of the ride-on trowel. It includes components such as gears, shafts, and bearings, which are crucial for transmitting power and motion efficiently. Designed for durability, these parts help maintain the trowel's functionality in demanding construction environments.
Reviews
Add a review
Write Your Own Review
Ask a Question
Customer Questions

