Description
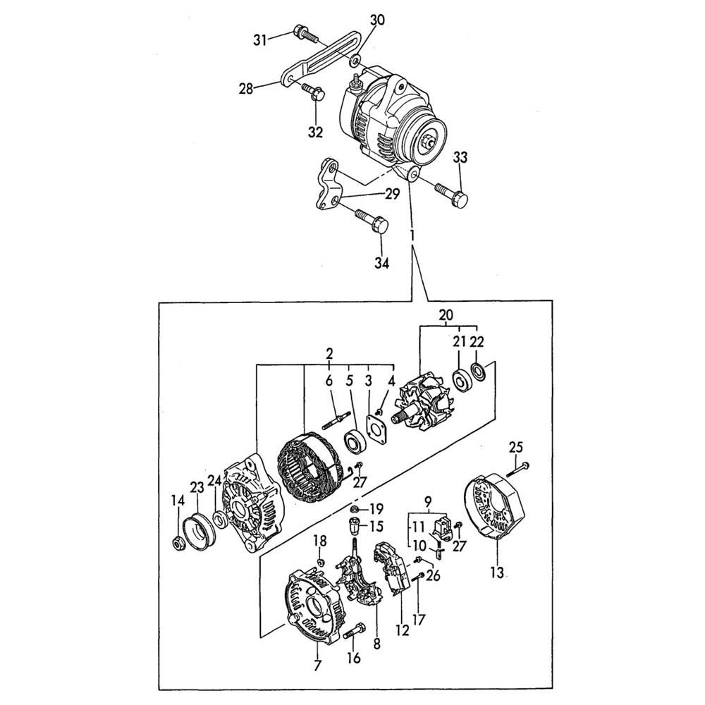
The Generator Assembly for the Yanmar 2TN66E-YL Engine includes essential components to ensure efficient power generation and reliable engine performance. This assembly is crucial for maintaining the engine's functionality, providing necessary parts such as rotors, stators, and voltage regulators. Designed for durability and compatibility, it supports the engine's operation in various applications.
Reviews
Add a review
Write Your Own Review
Ask a Question
Customer Questions

