Description
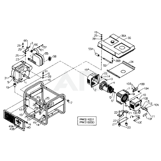
The generator for the Kawasaki PP4000 is designed to provide reliable power for various applications. It includes both genuine and non-genuine parts to ensure optimal performance and longevity. Components such as alternators, voltage regulators, and fuel tanks are available to maintain and repair your generator effectively.
Reviews
Add a review
Write Your Own Review
Ask a Question
Customer Questions

