Description
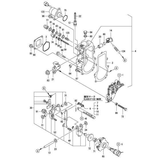
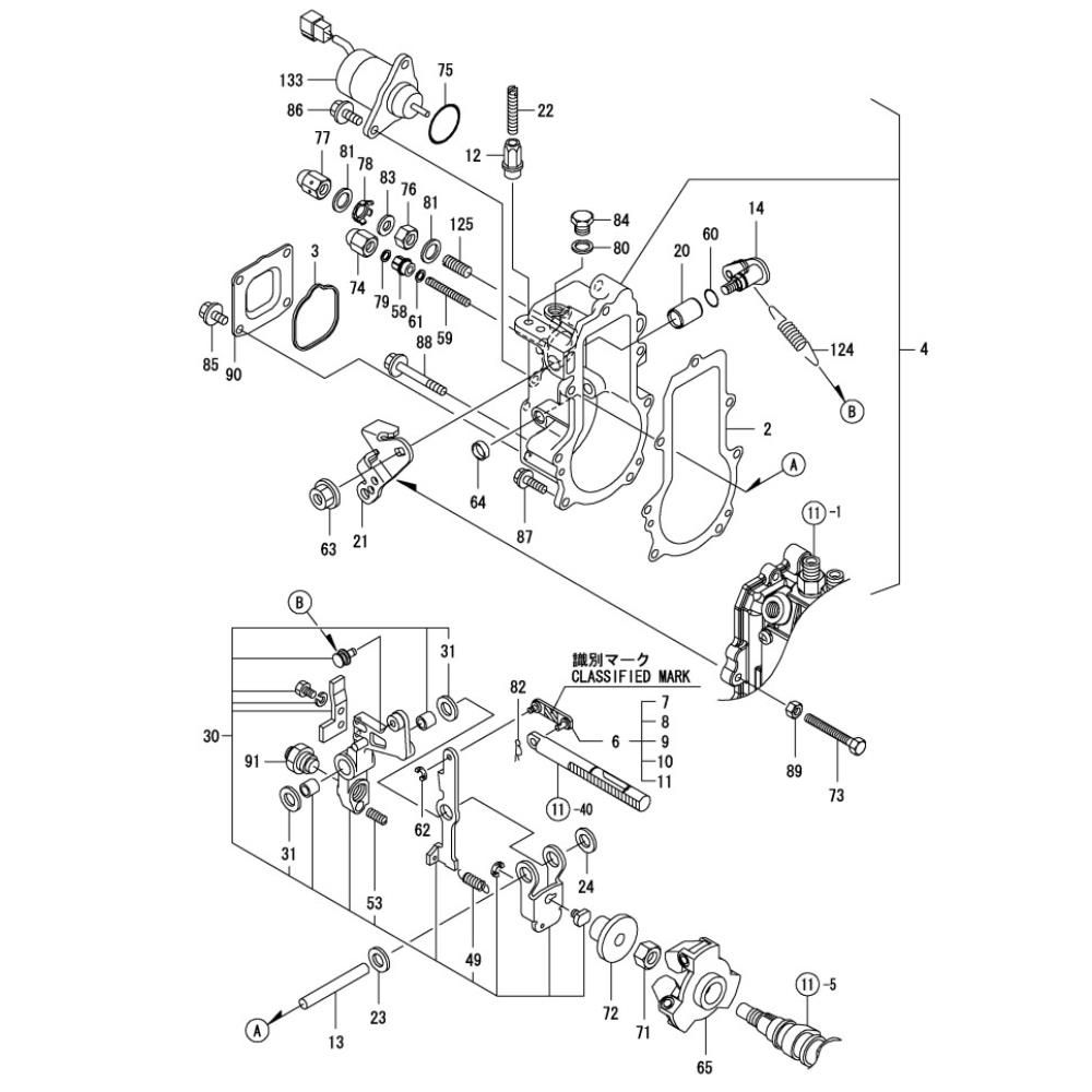
The Governor Assembly for the Yanmar 2TNV66-DMIN Engine is crucial for regulating engine speed and ensuring optimal performance. This assembly includes components such as springs, levers, and gears, which work together to maintain consistent engine operation. Genuine Yanmar parts ensure reliability and longevity, making them ideal for routine maintenance and repairs.
Reviews
Add a review
Write Your Own Review
Ask a Question
Customer Questions

