Description
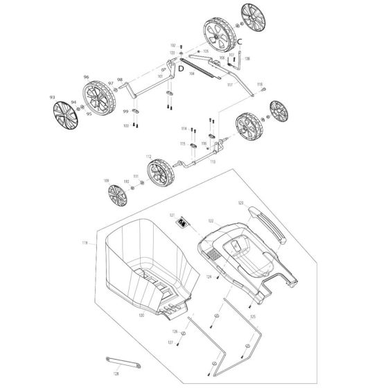
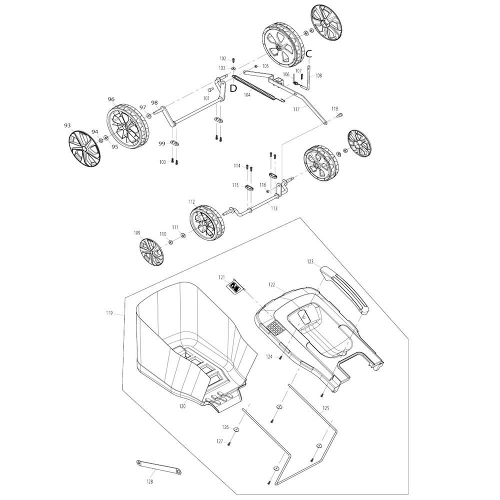
The Grass Catcher and Wheel Assembly for the Makita ELM3320 Mower includes essential components for efficient grass collection and smooth manoeuvrability. Designed to fit the Makita ELM3320 model, these parts ensure optimal performance and longevity. Options are available for different wheel sizes and catcher capacities to suit various mowing needs.
Reviews
Add a review
Write Your Own Review
Ask a Question
Customer Questions

