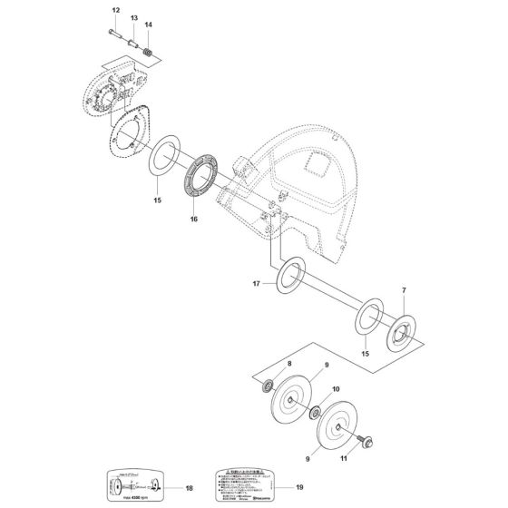
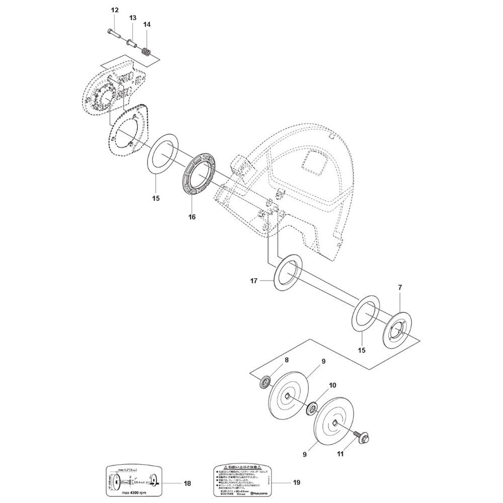
Description
The Guard Assembly for the Husqvarna K7000 SmartGuard Disc Cutter is designed to enhance safety and performance. It includes key components that protect the user and the machine during operation. This assembly ensures optimal cutting efficiency and durability, making it essential for maintaining the cutter's functionality.
Reviews
Add a review
Write Your Own Review
Ask a Question
Customer Questions

