Description
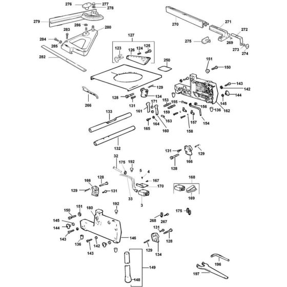
The Guard Assembly for the DeWalt DW742 Type 3 Combination Saw is designed to enhance safety and performance. This genuine DeWalt part ensures optimal protection during operation, reducing the risk of accidents. The assembly includes components such as guards, brackets, and fasteners, all tailored to fit the DW742 model. Essential for maintaining the saw's efficiency and user safety.
Reviews
Add a review
Write Your Own Review
Ask a Question
Customer Questions

