Description
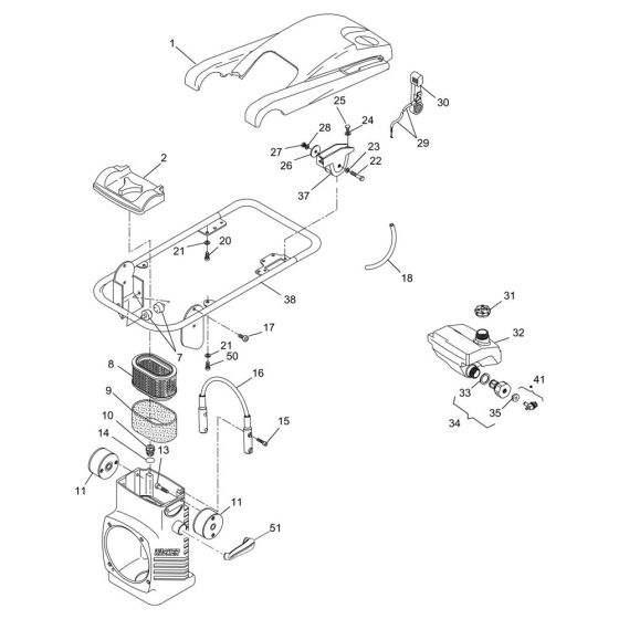
The Guide Handle Assembly for the Wacker BS600-4 Trench Rammer is designed to provide control and stability during operation. This assembly is crucial for manoeuvring the rammer effectively, ensuring precision in compacting tasks. It includes components such as grips, brackets, and fasteners, all tailored to fit the Wacker BS600-4 model.
Reviews
Add a review
Write Your Own Review
Ask a Question
Customer Questions

