Description
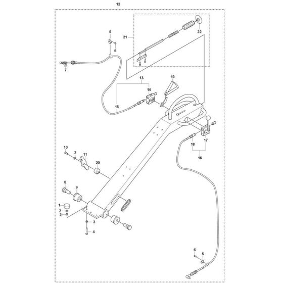
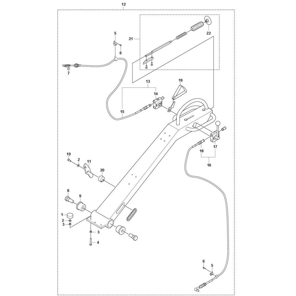
The Handle Assembly for the Husqvarna LP 6500 Roller is designed to ensure optimal control and manoeuvrability during operation. This assembly includes key components such as grips, levers, and brackets, providing a secure and comfortable handling experience. Essential for maintaining the performance and safety of your roller, it is a genuine Husqvarna part.
Reviews
Add a review
Write Your Own Review
Ask a Question
Customer Questions

