Description
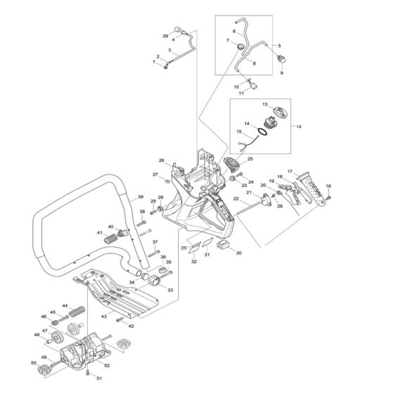
The Handle Assembly for the Makita EK7651H Disc Cutter is designed to provide stability and control during operation. This assembly includes essential components such as grips, brackets, and fasteners, ensuring secure handling and precision cutting. Genuine Makita parts ensure compatibility and durability, maintaining the cutter's performance and safety standards.
Reviews
Add a review
Write Your Own Review
Ask a Question
Customer Questions

