Description
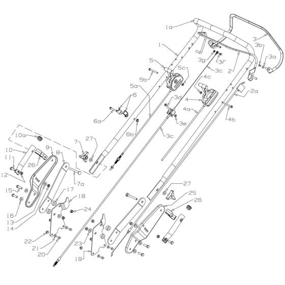
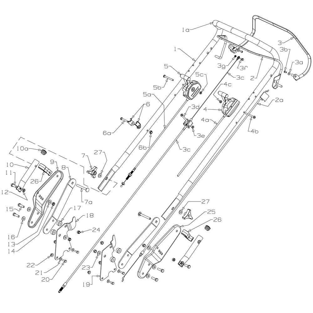
The Handle Assembly for the Masport Contractor (2017 Apr 478751) Mower is designed to provide sturdy and reliable control. This assembly includes components such as grips, brackets, and fasteners, ensuring a secure and comfortable mowing experience. Suitable for routine maintenance and repairs, it helps maintain the mower's efficiency and ease of use.
Reviews
Add a review
Write Your Own Review
Ask a Question
Customer Questions

