Description
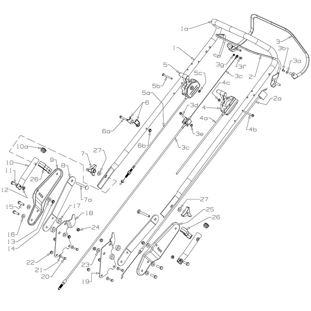
The Handle Assembly for the Morrison Contractor (2016 Dec 467757) Commercial Mower is designed to provide durability and ease of use. This assembly includes components such as grips, brackets, and fasteners, ensuring a secure and comfortable operation. Ideal for maintaining the performance and reliability of your Morrison mower, it supports efficient lawn care tasks.
Reviews
Add a review
Write Your Own Review
Ask a Question
Customer Questions

