Description
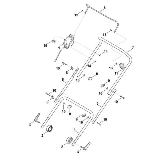
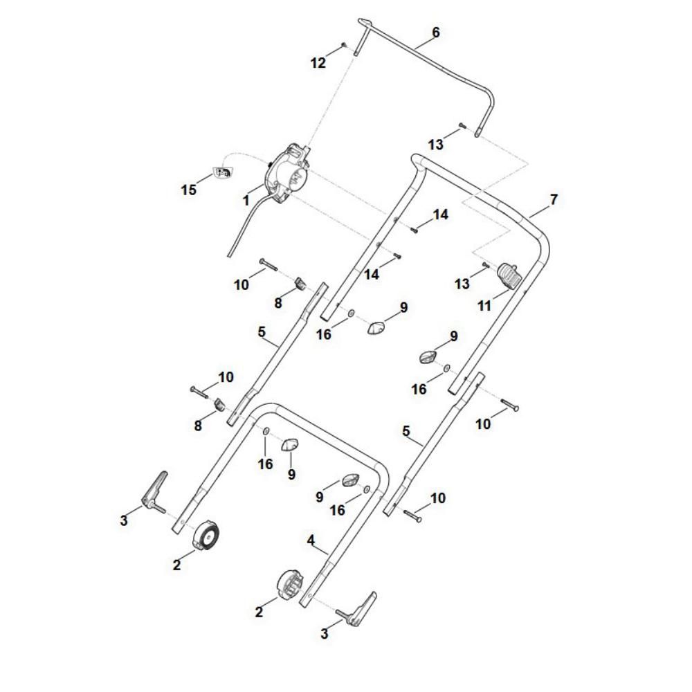
The Handle Assembly for Viking LE 240 Lawn Scarifiers is a genuine Viking part designed to ensure optimal performance and ease of use. This assembly includes components such as grips, levers, and brackets, providing a sturdy and reliable connection for efficient lawn care. Suitable for routine maintenance and repair, it helps maintain the functionality of your scarifier.
Reviews
Add a review
Write Your Own Review
Ask a Question
Customer Questions

