Description
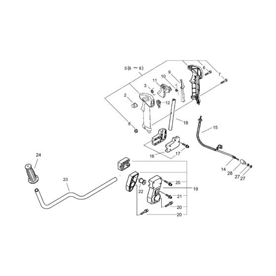
The handle for the ECHO BCLS-510ES Brushcutter is designed to provide comfort and control during operation. Available in genuine and non-genuine parts, it ensures compatibility and reliability. This handle is essential for maintaining the ergonomic balance and ease of use of your brushcutter, making it suitable for both professional and domestic gardening tasks.
Reviews
Add a review
Write Your Own Review
Ask a Question
Customer Questions

