Description
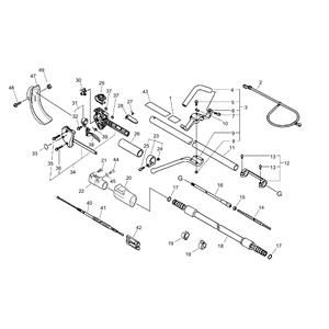
The Handle and Main Pipe for the ECHO RM-510ES Brushcutter are essential components for maintaining control and stability during operation. These parts ensure the brushcutter remains effective and comfortable to use. Options include genuine and non-genuine parts, allowing for flexibility in maintenance and repair.
Reviews
Add a review
Write Your Own Review
Ask a Question
Customer Questions

